Industrial automation

Industrial Automation

Modern solutions in industry guaranteeing high efficiency and production safety require innovative approaches. Automating processes on production lines increases the quality and efficiency of production, and also provides operators with more enjoyable work – tedious and monotonous tasks are eliminated, leaving simple and pleasant machine operation.

Additionally, it enables effective and efficient supervision of media and technological process parameters, ensuring complete safety and repeatability.

For many years, we have been designing, manufacturing, and delivering advanced industrial automation systems to our clients. Enki offers you reliable and secure solutions in areas such as control systems, visualization, and production process management, tailored to your needs and executed comprehensively.

Our activities include:

PLC controller programming

HMI and SCADA process supervision system programming

Optimization and modification of automation and control systems

Designing robotic workstations

Designing power and control systems – Electrical project

Instrumentation and Control Engineering (ICE) projects

Designing ICE control cabinets

Designing safety system installations

Designing drive systems and drive configuration

Modification and updating of electrical documentation

In our solutions, we emphasize safety and ease of use. We consult possible solutions with the Client to fully tailor our projects to their requirements. The projects developed in the Automation Department in cooperation with the Technical Projects Department are executed by our workshop employees (Departments: Electrical and ICE Construction, Assembly, and Mechanical Workshops and Machining). This allows project department employees to have full control over the project. Close cooperation ensures maximum adaptation to client requirements and ease of project modification.

After the project is implemented and launched, at the Client’s request, we provide training for operators and assistance during production, aiming to introduce improvements and conveniences in the operation of the completed device to tailor it as closely as possible to the Client’s needs.
We design professional automatic control systems based on the latest global trends. We use innovative components from reputable companies specializing in industrial automation. In the process of designing industrial automation solutions, we use licensed software packages.
Within industrial automation, we specialize in the following processes:

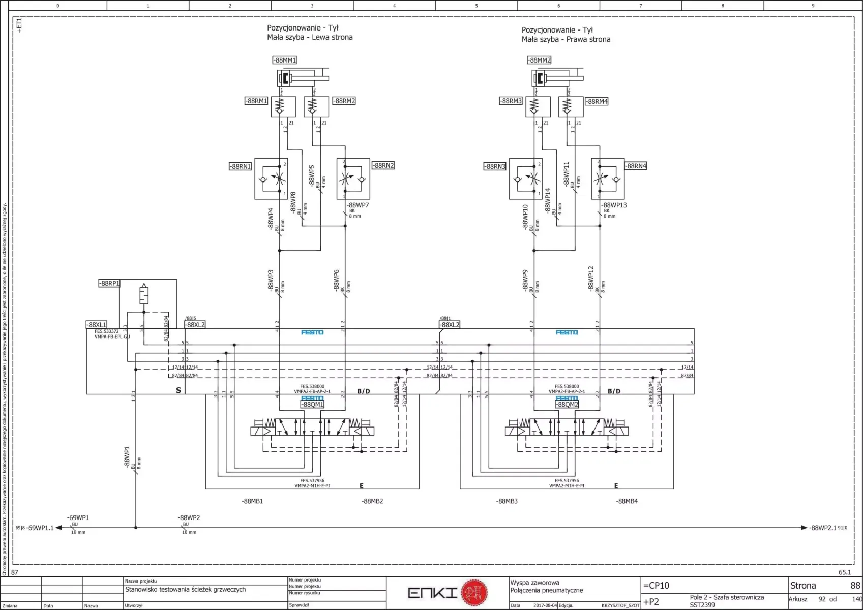
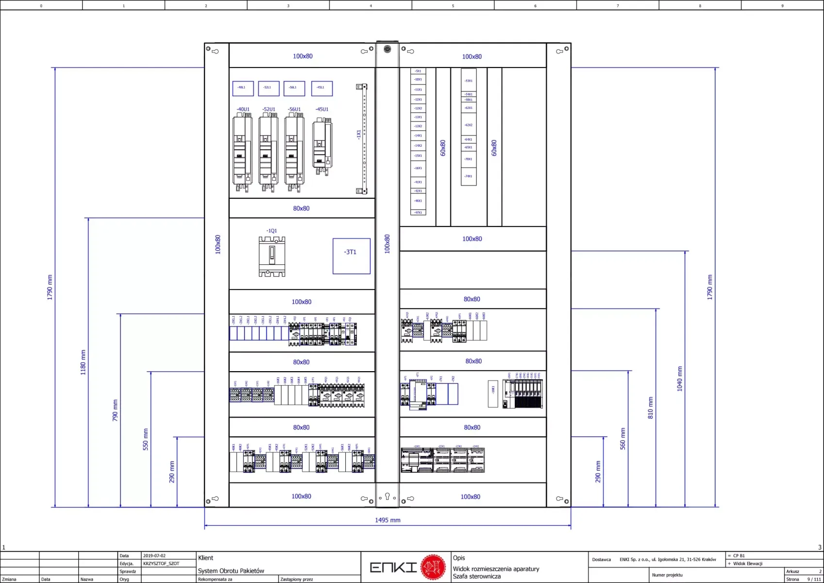
Gallery of Completed Projects: